Befestigungsbinder für Kanten, innenverzahnt, ⌀4.0-45.0mm, schwarz, 500ST
Art.-Nr. 156-00009
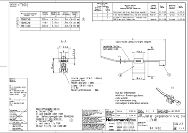
| T50REC4B-PA66HS/PA66HIRHS-BK
Kopiert
- 2-teiliger Kabelbinder mit EdgeClip, vormontiert
- Der Kopf des Binders kann in optimale Bündelposition gebracht werden
- Typ EC9, EC10, EC21 und EC22 für Bündeldurchmesser ab 1 mm
- Für Kanten von 1 - 3 mm
Online nicht verfügbar
Industriebedarf bei HellermannTyton
Anfragen
Weitere Produkte in dieser Produktgruppe:
| Anwendung | Elemente aus der EdgeClip-Serie sind eine sehr gute Alternative überall dort, wo Lochbohrungen und Schweißbolzen nicht realisierbar und Kleber aufgrund höherer Temperaturen nicht einsetzbar sind. Anwendung findet die EdgeClip-Familie zur Bündelung und Befestigung von Kabelbäumen und Schläuchen überwiegend in der Automobil-, Bau- und Elektroindustrie sowie in der Kabelbaumfertigung. |
| Ausführung | innenverzahnt |
| Befestigungsart | EdgeClip, oben, montiert, zweiteilig |
| Bestell Typ | 156-00009 |
| Bezeichnung |
Diese zweiteiligen Kabelbänder sind entweder mit innen- oder außenverzahnten Bändern erhältlich und werden einfach auf eine Kante mit einer Dicke von 1,0 bis 3,0 mm aufgeschoben. Die hohen Abzugskräfte sind auf die integrierte Metallklemme zurückzuführen. Es sind verschiedene EdgeClip-Varianten erhältlich. Eine Version ermöglicht es, Kabel parallel zur Kante zu verlegen, während eine andere eine Installation in einem Winkel von 90 Grad zur Kante erlaubt. Der Clip wird einfach von Hand aufgeschoben und von der integrierten Metallklemme festgehalten. Eine Befestigungsöse ist nicht erforderlich. In Kombination mit den außenverzahnten (OS) Kabelbändern, die speziell zum Schutz der Kabel vor Scheuern und Abnutzung entwickelt wurden, bietet die EdgeClip-Familie eine hervorragende Befestigungslösung. |
| Farbe | Schwarz (BK) |
| Fußteil | Polyamid 6.6 schlagzäh modifiziert, hitzestabilisiert (PA66HIRHS) |
| Gewicht pro Einheit (netto) | 0.002859kg |
| Inhalt | 500ST |
| Inhalt per | Beutel |
| Kabelbinder | Polyamid 6.6 hitzestabilisiert (PA66HS) |
| Kurzbeschreibung | Befestigungsbinder 202x4,6 schwarz |
| Lösbarer Verschluss | Nein |
| Material | Polyamid 6.6 hitzestabilisiert (PA66HS), Polyamid 6.6 schlagzäh modifiziert, hitzestabilisiert (PA66HIRHS) |
| Mindesthaltekraft | 225N |
| Position Beschriftungsfläche | ohne |
| Produktbezeichnung | T50REC4B-PA66HS/PA66HIRHS-BK |
| Produktfamilie | EdgeClip-Serie, 1,0 - 3,0 mm, Aufnahme oben |
| Produktgruppe | Befestigungsbinder 2-teilig zur Kantenbefestigung |
| Typ | T50REC4B |
|
|
|
| EAN / GTIN | 4031026240565 |
| Mindestbestellmenge | 3000 |
| Ursprungsland | DE |
| Verpackung 1 - Beschaffenheit | Beutel |
| Verpackung 1 - Breite, gefüllt (m) | 0.39m |
| Verpackung 1 - Gewicht (kg) | 1.458635kg |
| Verpackung 1 - Höhe (m) | 0.09m |
| Verpackung 1 - Länge (m) | 0.455m |
| Verpackung 1 - Menge | 500 |
| Verpackung 1 - Volumen (m³) | 0.0159705m³ |
| Verpackung 3 - Beschaffenheit | Box |
| Verpackung 3 - Breite (m) | 0.386m |
| Verpackung 3 - Gewicht (kg) | 12.48908kg |
| Verpackung 3 - Höhe (m) | 0.368m |
| Verpackung 3 - Länge (m) | 0.584m |
| Verpackung 3 - Menge | 4000 |
| Verpackung 3 - Volumen (m³) | 0.083m³ |
| Verpackung 4 - Beschaffenheit | Palette |
| Verpackung 4 - Breite (m) | 0.8m |
| Verpackung 4 - Gewicht (kg) | 171.856kg |
| Verpackung 4 - Höhe (m) | 1.248m |
| Verpackung 4 - Länge (m) | 1.2m |
| Verpackung 4 - Menge | 48000 |
| Verpackung 4 - Volumen (m³) | 1.198m³ |
| Zollwarentarif Nr. | 39269097 |
Argentina
Australia
Brazil
Bulgaria
China
Czech Republic
Denmark
Finland
France
Germany
Hungary
India
Italy
Netherlands
North America
Norway
Poland
Portugal
Romania
Russia
Singapore
Slovenia
South Africa
South Korea
Spain
Sweden
Switzerland
Türkiye
United Arab Emirates
United Kingdom

Download







EVO9i
110-88001
EVO9iSP
110-88002
MK20
110-20006
MK10-SB
110-10001
EVO7iSP
110-77002
EVO7i
110-77001
MK7P
110-07100
ProCut 9 no battery
104-10010
T50ROSEC4A-PA66HS/PA66HIRHS-BK
150-02404
T50ROSEC4B-PA66HS/PA66HIRHS-BK
150-76079
T30REC4B-PA66HS/PA66HIRHS-BK
150-76080
T30REC4A-PA66HS/PA66HIRHS-BK
150-76090
T50REC4A-PA66HS/PA66HIRHS-BK
150-76091
T50SOSEC4A-PA66HS/PA66HIRHS-BK
150-76093
T18REC9SD-PA66HS/PA66HIRHS-BK
155-37104
T18REC10SD-PA66HS/PA66HIRHS-BK
155-38304
T50SOSEC10-PA66HS/PA66HIRHS-BK
156-00015
T50SOSEC4B-PA66HS/PA66HIRHS-BK
156-00109
T50ROSEC4B-PA46-GY
156-00782
T50ROSEC4B-PA66W-BK
156-01153
T50REC9-PA66HS/PA66HIRHS-BK
156-01280